風機噪聲治理工程介紹
一、項目名稱:風機噪音治理工程
二、項目編號:南昌佳綠噪音治理
三、項目地址:南昌
四、項目規模:風機噪聲治理
五、工程工期: 15天
六、竣工時間:2014年10月28日
七、項目類別:風機噪音治理工程
八、案例簡介:公司生產車間內安裝大量除塵離心風機,目前除塵風機排風口均產生較大的噪聲影響廠區內綜合聲環境。為改善員工的工作環境,公司有關領導對該噪聲問題高度重視,特委托我們南昌佳綠環保工程有限公司對粉碎機噪聲源設備進行治理。
九、現場噪音源:
除塵離心風機排風口影響廠區噪聲主要為以下兩部分:
(1)風機運行的機械噪聲:風機運行時的機械噪聲經過排風管道向外傳播;
(2)出風口氣流再生噪聲:排風口普遍設計的偏小,使得出風口風速過大而產生的氣流再生噪聲明顯。
十、降噪目標:
|
序號 |
噪聲控制點 |
達到效果 |
執行標準 |
備注 |
|
1 |
風機出風口1米處 |
≤85 dB(A) |
《工業企業設計衛生標準》GBZ1—2010 |
距離風機出風口1米 |
《工業企業設計衛生標準》GBZ1—2010
5.2.3 防噪聲與振動
5.2.3.1 具有生產性噪聲的車間應盡量遠離其他非噪聲作業車間、行政區和生活區。
5.2.3.2 噪聲較大的設備應盡量將噪聲源與操作人員隔開;工藝允許遠距離控制的,可設置隔聲操作(控制)室。
5.2.3.3 產生強烈振動的車間應有防止振動傳播的措施。
5.2.3.4 噪聲與振動強度較大的生產設備應安裝在單層廠房或多層廠房的底層;對振幅、功率大的設備應設計減振基礎。
5.2.3.5 工作場所操作人員每天連續接觸噪聲8小時,噪聲聲級衛生限值為85dB(A)。對于操作人員每天接觸噪聲不足8小時的場合,可根據實際接觸噪聲的時間,按接觸時間減半,噪聲聲級衛生限值增加3dB(A)的原則,確定其噪聲聲級限值(表5)。但最高值不得超過115dB(A)。
表5工作地點噪聲聲級的衛生限值
|
日接觸噪聲時間(h) |
衛生限值[dB(A) |
|
8 |
85 |
|
4 |
88 |
|
2 |
91 |
|
1 |
94 |
|
1/2 |
97 |
|
1/4 |
100 |
|
1/8 |
103 |
|
最高不得超過115[dB(A) |
|
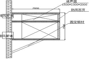
十一、我們設計的方案:降噪設計目為達到標值及便于安裝維護,我公司根據各離心風機排風口現場實際情況及我們以往治理類似項目的經驗,結合現場實際情況制定如下控制措施:
(1) 針對風機運行的機械噪聲在排風口處安裝風機低頻消聲器;
(2) 針對出風口氣流再生噪聲擴大出風口面積,降低出風口風速。
4.3 各風機降噪示意圖
(1)粉碎車間3樓除塵風機2臺,風量:3600;功率:11KW;
兩臺排風口并為1個出風口,設計排風口800mm*800mm,凈出風面積0.256㎡,風速:6.5m/s。
(2)4樓連接至屋頂風機,風量:30000;功率:75KW;
設計排風口1250mm*2000mm,凈出風面積1.13㎡,風速:7.4m/s。
(3)2樓連接至外墻面風機,風量:9200;功率:7.5KW;
風量1800;功率:2.2KW;
設計排風口1000mm*1500mm,凈出風面積0.56㎡,風速:5m/s。
十二、降噪效果: 風機出風口米處≤85 dB(A)。
